Раздвижные системы от ведущих поставщиков фурнитуры призваны обеспечить плавный ход дверец вне зависимости от сложности конструкции изделия. Однако внушительный ассортимент часто ставит покупателя в тупик, затрудняя процесс выбора подходящей модели. Задачу можно упростить, если вспомнить основной способ классификации раздвижных систем для мебели в зависимости от способа установки.
Типы раздвижных механизмов для фасадов шкафов-купе
Основная задача раздвижной системы — обеспечить плавный и легкий ход дверец массивной мебельной конструкции. Добиться этого можно двумя способами: установить фасад для шкафа-купе на ролики в нижний профиль или подвесить к верхней направляющей. Рассмотрим особенности каждого варианта.
Опорная раздвижная система
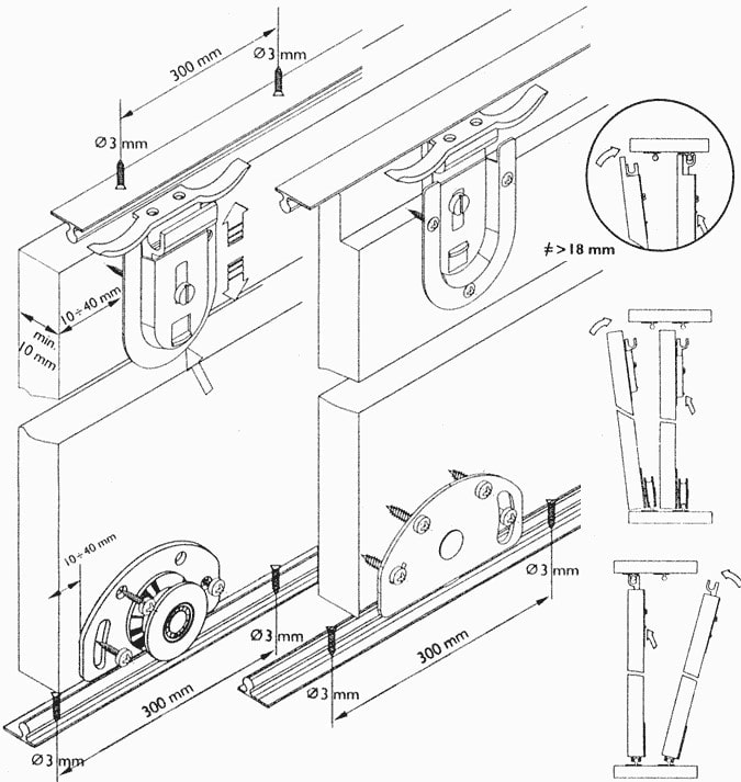
Модель этого типа состоит из верхней и нижней направляющей, комплекта роликов и профиля для усиления дверного полотна из алюминия или стали. Первый вариант прочнее и чуть дороже, второй дешевле и уступает по прочности алюминиевому сплаву. Выбирая опорные раздвижные системы в Харькове на kh.viyar.ua, важно помнить: основная весовая нагрузка в них приходится на нижнюю направляющую. Она изготавливается во врезном или накладном исполнении из прочного сплава, чтобы исключить деформацию и разрушение под весом массивного фасада. Верхняя направляющая имеет вид М-образного профиля. Ее основное назначение — поддержка двери в вертикальном положении и защита от перекоса полотна во время движения.
Внутри направляющих дверь перемещается с помощью прочных пластиковых роликов, утопленных в выемку на поверхности верхнего и нижнего профиля. Специальная система регулирования из металлического сплава позволяет ровно установить дверь и сохранить ее горизонтальное положение. Такое технологическое решение снижает нагрузку на роликовый механизм и увеличивает срок его эксплуатации до 15–20 лет.

Подвесная раздвижная система
Основная нагрузка приходится на верхний профиль, внутри которого помещен роликовый механизм для навешивания и перемещения дверного полотна. Роликовые каретки изготавливаются из высокопрочного пластика или металла. Они движутся внутри П-образного профиля, надежно опираясь на его широкие полочки. Сам профиль может быть изготовлен из стали или алюминия. Преимущества имеет второй вариант, более легкий и прочный. Встроенный в систему стопор препятствует выходу каретки за край направляющей и выпадению роликов из паза профиля.
Чтобы подвесная дверь не раскачивалась во время движения, в ней предусмотрен специальный механизм стабилизации, исключающий даже незначительные колебания фасада. Прочность такой конструкции, установленной согласно рекомендациям производителя, снимает ограничения по весу дверец и гарантирует их легкое и безопасное перемещение.
Где купить профили для систем дверей шкафов-купе
Компания «ВиЯр» реализует фирменные наборы и элементы качественной фурнитуры для установки дверей шкафов-купе. Также в каталоге представлен ассортимент комплектующих и аксессуаров для современной мебели, купить которые можно по приемлемой стоимости. Для уточнения цен и получения дополнительных консультаций по выбору и оформлению заказа звоните по указанным телефонам. Доставка осуществляется по Харькову и области.
